1

Выберите год

2

Выберите марку

3

Выберите модель

4

Выберите двигатель

5

Выберите модификацию

  • Легковые
  • Грузовые
  • Мото
Все марки
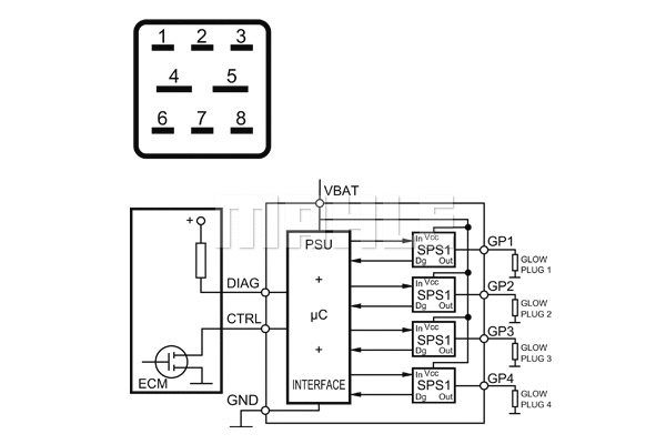
Интернет - магазинDaciaКаталог запчастей на DusterБлок упр. временем накала
 

Блок упр. временем накала на Dacia Duster (Дачия Дастер)

Выберите автомобиль, что бы отобразить только те запчасти которые подходят к вашему автомобилю.
Бренд:
BERU (1)
ERA (1)
Mahle / Knecht (2)